Yamaha Outboard Engine Parts Manual Reviewmotors.co

Diagram Yamaha Outboard Motor. 40 Hp Yamaha Outboard Motor Parts Diagram Reviewmotors.co Ensure the diagram is specific to your engine's year and model for accuracy First, identify the specific area of the engine that requires attention.

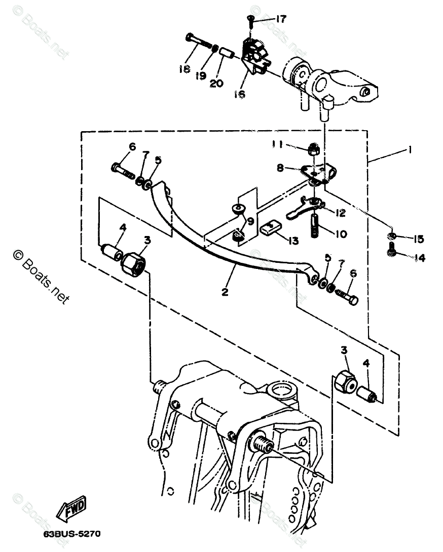
40 Hp Yamaha Outboard Motor Parts Diagram Reviewmotors.co
40 Hp Yamaha Outboard Motor Parts Diagram Reviewmotors.co from reviewmotors.co

By referring to this diagram, you can easily identify and locate specific parts. Verify all parts using their corresponding numbers to avoid errors during maintenance or repairs

40 Hp Yamaha Outboard Motor Parts Diagram Reviewmotors.co

Yamaha Outboard Motor Parts Diagrams and PDF Guides for Easy Reference These outboard motors are made up of numerous parts, each serving a specific function in ensuring the smooth operation of the motor Refer to the Yamaha outboard engine parts diagram for an accurate breakdown of all components

40 Hp Yamaha Outboard Motor Parts Diagram Reviewmotors.co. It provides a detailed breakdown of the engine's internal structure, including the cylinder block, crankshaft, pistons, valves, and much more By referring to this diagram, you can easily identify and locate specific parts.

Yamaha 115 Outboard Motor Parts Diagram Reviewmotors.co. Step-by-Step Guide to Using the Yamaha 8hp Outboard Parts Diagram for Repairs These outboard motors are made up of numerous parts, each serving a specific function in ensuring the smooth operation of the motor